专注磁粉离合器制动器生产厂家
收放卷张力纠偏控制系统整套提供商

齿轮减速机电磁离合刹车器电机组合电机与电磁离合刹车器与减速机是直连的,电机可以单独与电磁离合刹车器链接,电机也可以单独与减速机链接,电磁离合刹车器也可以单独与减速机连接使用的。
参数规格:
1、TL-POH型双法兰电磁离合刹车组扭矩规格:6Nm、15Nm、25Nm、50Nm、100Nm、200Nm、400Nm等7个规格;
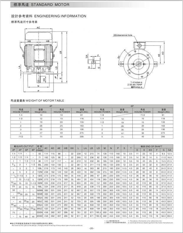
2、电动机(2极、4极、6极、8极)的功率:180W、400W、750W、1500W、2200W、3700W、5000W….等多个功率;
3、TL-CHM型卧式直结型齿轮减速机速比:1/4~1/200,马力1/4HP~5HP;
齿轮减速机电磁离合刹车器电机组合广泛适用冶金、起重、运输、化工、轻纺、建筑、制饼机械.压延机械,制袋机械.食品机械等等有大幅度降速要求的机械设备。公司采用计算机辅助设计和管理,运行先进的设备和检测手段。公司的一精良的产品质量,畅销全国各地,远销欧美等国家。东莞市台灵机电有限公司集研发、生产、销售、维修服务为一体的现代化高科技企业,十多年专注品质。产品咨询热线:1800-2922-997